联系我们

手机:汪经理15802760502
邮箱:hezi027@qq.com
QQ:3212587206
地址:武汉市东西湖区创谷路20号科创中心22栋
相关文章
- 1变压器变比测试仪怎么选?2026行业选型避坑指南|赫兹电力实测靠谱
- 2直流高压发生器选型指南|主流品牌深度对比!赫兹电力凭硬核实力胜出
- 3电力试验标配神器!赫兹电力ZGF系列直流高压发生器,轻便精准、安全耐用—赫兹电力高压试验设备
- 4一机搞定所有隐患!赫兹电力HZJF-8008S三合一局放巡检仪,重塑电力智能巡检新标准
- 52025局放巡检仪厂家排名更新|别再乱买!电力人专属选型避坑指南
- 6武汉赫兹电力无局放耐压测试系统在电力检测中的核心优势与应用价值
- 72026无局放耐压试验装置厂家排名&价格对比!武汉赫兹电力凭实力领跑
- 8告别漏判误判!无局放试验装置,认准这家国产源头厂家—武汉赫兹电力
- 9无局放串联谐振哪家好?武汉赫兹电力,用硬核技术领跑高压检测赛道
- 10中国智造护航电力安全|武汉赫兹电力无局放耐压试验装置,精准排查绝缘隐患
10KV/35KV/110KV电缆耐压试验方法及规范
发布时间:2023-02-21 17:36:17人气:
一电缆耐压试验简述
近年来,橡塑绝缘特别是交联聚乙烯电缆,因其具有优异的性能,得到了迅速的发展。目前在中低压电压等级中基本取代了油浸纸绝缘电缆,超高压交联聚乙烯电缆已经发展至500KV,110KV及220KV交联聚乙烯电缆正在逐步取代充电电缆。
电缆耐压试验方法详解
耐压试验是运行部门检查电缆抗强度的常用方法,通过耐压试验可以有效的检查出电缆绝缘中的气泡、机械损伤等局部缺陷,反映出出电缆绝缘老化、受潮等情况。
根据试验电压的不同,电缆耐压试验又分为直流耐压试验和交流耐压试验。
通过直流耐压试验可以检查出电缆绝缘中的气泡、机械损伤等局部缺陷,通过直流泄漏电流测量可以反映绝缘老化、受潮等缺陷,从而判断绝缘状况的好坏。
但是根据国内外一些运行经验表明,如果对交联聚乙烯电缆施加直流电压,那么直流试验过程中在交联聚乙烯电缆及其附件中会形成空间电荷,对绝缘,有积累效应,加速绝缘老化,缩短使用寿命,同时,直流电压下绝缘电场分布与实际运行电压下不同。
直流试验合格的交联聚乙烯电缆,投入运行后,在正常工作电压作用下也会发生绝缘事故。通过施加交流试验电压,可以避免以上不足,并且可以有效地鉴别正常绝缘的绝缘水平。因此,相关人士建议对交联聚乙烯电缆金属护套采用10KV、1min直流耐压试验外,还增加了用串联谐振或0.1Hz超低频来交流耐压电压试验。
二电缆直流耐压试验方法
电缆直流耐压试验目的
通过直流耐压试验可以检查出电缆绝缘中的气泡、机械损伤等局部缺陷,通过直流泄漏电流测量可以反映绝缘老化、受潮等缺陷,从而判断绝缘状况的好坏。
电缆的直流耐压试验可用直流高压发生器来进行试验,ZGF直流高压发生器的电压、电流表均为数字显示,电压分辨率为0.1kV,电流分辨率为0.1uA,控制箱上电压表直接显示加在负载试品上的电压值,使用时无需外加分压器,接线简单。仪器具有高、低压端测量泄漏电流,高压端采用圆形屏蔽数字表显示,不怕放电冲击,抗干扰性能好,适合现场使用。
直流耐压和泄露电流试验原理接线图
1-微安表屏蔽 2-导线屏蔽
3-线端屏蔽 4-缆芯绝缘的屏蔽环
电缆直流耐压试验方法
1)按照试验接线图由一人接线,接线完后由另一人检查,内容包括试验接线有无错误,各仪表量程是否合适,试验仪器现场布局是否合理,试验人员的位置是否正确。
2)将电缆充分放电,指示仪表调零,调压器置于零位。
3)测量电源电压值。
4)合上电源刀闸,启动设备,给升压回路加电,逐步升压至预先确定的试验电压值:在0.25、0.5、0.75倍试验电压下各停留1分钟,读取泄漏电流值,在1.0倍试验电压下读取1分钟及5.分钟泄漏电流值,交接时还应读取10分钟和15分钟泄漏电流值。
5)试验完毕,应先将升压回路中调压器退回零位并切断电源。
6)每次试验后,必须将电缆先经电阻对地放电,然后对地直接放电。放电时,应使用绝缘棒,并可根据被试相放电火花的大小,大概了解其绝缘状况。
电缆直流耐压试验判断标准
对纸绝缘电缆而言,三相间的泄漏电流不平衡系数不应大于2,6/6kV及以下电缆的泄漏电流小于10μA,8.7/10kV电缆的泄漏电流值小于20μA时,对不平衡系数不作规定。
在加压过程中,泄漏电流突然变化,或者随时间的增长而增大,或者随试验电压的上升而不成比例地急剧增大,说明电缆绝缘存在缺陷,应进一步查明原因,必要时可延长耐压时间或提高耐压值来找绝缘缺陷。
相与相间的泄漏电流相差很大,说明电缆某芯线绝缘可能存在局部缺陷。
电缆交流耐压试验方法
电缆交流耐压试验目的
通过施加交流试验电压,可以弥补电缆直流耐压试验的不足,并且可以有效地鉴别正常绝缘的绝缘水平。
测量电缆的交流耐压试验常用的设备是变频串联谐振耐压装置,串联谐振试验装置是运用串联谐振原理,利用励磁变压器激发串联谐振回路,调节变频控制器的输出频率,使回路电感 L 和试品 C 串联谐振,谐振电压即为加到试品上电压。设备具有体积小、重量轻、操作方便等优点。除此之外,还以采用超低频耐压试验装置进行电缆的交流耐试验。
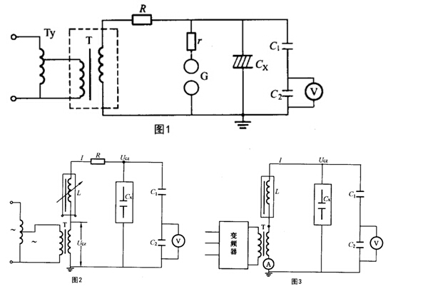
电缆交流耐压试验街线原理图
图1 工频耐压试验接线图
Ty—调压器;T—试验变压器;R—限流电;r—球隙好糊电阻;G—球间隙;
Cx—被试品;C1、C2—电容分压器;V—电压表
图2 工频串联谐振耐压试验接线图
图3 变频串联谐振耐压试验接线图
电缆交流耐压试验方法
1)检查试验电源、调压器和试验变压器正常。按接线图准备试验,保证所有试验设备、仪表仪器接线正确、指示正确。
2) 一切设备仪表接好后,在空载条件下调整保护间隙,其放电电压为试验电压的110% - 120%范围内(如采用串联谐振,需要另外的变压器调整保护间隙)。并调整试验电压在高于试验电压5%下维持2min后将电压降至零,拉开电源。
3)经过限流电阻R在高压侧短路,调整过流保护跳闸的可靠性。
4)电压和电流保护调试检查无误,各种仪表接线正确后,即可将高压引线接到被试绕组上进行试验。
5)升压必须从零开始,升压速度在40%试验电压以内可不受限制,其后应均匀升压,速度约每秒3%的试验电压。升至试验电压后维持规程所规定时间。
6)将电压降至零,拉开电源,该试验结束。
电缆交流耐压试验判断标准
如果试验中未发生击穿放电现象,则认为试验通过。
近年来,橡塑绝缘特别是交联聚乙烯电缆,因其具有优异的性能,得到了迅速的发展。目前在中低压电压等级中基本取代了油浸纸绝缘电缆,超高压交联聚乙烯电缆已经发展至500KV,110KV及220KV交联聚乙烯电缆正在逐步取代充电电缆。
电缆耐压试验方法详解
耐压试验是运行部门检查电缆抗强度的常用方法,通过耐压试验可以有效的检查出电缆绝缘中的气泡、机械损伤等局部缺陷,反映出出电缆绝缘老化、受潮等情况。
根据试验电压的不同,电缆耐压试验又分为直流耐压试验和交流耐压试验。
通过直流耐压试验可以检查出电缆绝缘中的气泡、机械损伤等局部缺陷,通过直流泄漏电流测量可以反映绝缘老化、受潮等缺陷,从而判断绝缘状况的好坏。
但是根据国内外一些运行经验表明,如果对交联聚乙烯电缆施加直流电压,那么直流试验过程中在交联聚乙烯电缆及其附件中会形成空间电荷,对绝缘,有积累效应,加速绝缘老化,缩短使用寿命,同时,直流电压下绝缘电场分布与实际运行电压下不同。
直流试验合格的交联聚乙烯电缆,投入运行后,在正常工作电压作用下也会发生绝缘事故。通过施加交流试验电压,可以避免以上不足,并且可以有效地鉴别正常绝缘的绝缘水平。因此,相关人士建议对交联聚乙烯电缆金属护套采用10KV、1min直流耐压试验外,还增加了用串联谐振或0.1Hz超低频来交流耐压电压试验。
二电缆直流耐压试验方法
电缆直流耐压试验目的
通过直流耐压试验可以检查出电缆绝缘中的气泡、机械损伤等局部缺陷,通过直流泄漏电流测量可以反映绝缘老化、受潮等缺陷,从而判断绝缘状况的好坏。
电缆的直流耐压试验可用直流高压发生器来进行试验,ZGF直流高压发生器的电压、电流表均为数字显示,电压分辨率为0.1kV,电流分辨率为0.1uA,控制箱上电压表直接显示加在负载试品上的电压值,使用时无需外加分压器,接线简单。仪器具有高、低压端测量泄漏电流,高压端采用圆形屏蔽数字表显示,不怕放电冲击,抗干扰性能好,适合现场使用。


1-微安表屏蔽 2-导线屏蔽
3-线端屏蔽 4-缆芯绝缘的屏蔽环
电缆直流耐压试验方法
1)按照试验接线图由一人接线,接线完后由另一人检查,内容包括试验接线有无错误,各仪表量程是否合适,试验仪器现场布局是否合理,试验人员的位置是否正确。
2)将电缆充分放电,指示仪表调零,调压器置于零位。
3)测量电源电压值。
4)合上电源刀闸,启动设备,给升压回路加电,逐步升压至预先确定的试验电压值:在0.25、0.5、0.75倍试验电压下各停留1分钟,读取泄漏电流值,在1.0倍试验电压下读取1分钟及5.分钟泄漏电流值,交接时还应读取10分钟和15分钟泄漏电流值。
5)试验完毕,应先将升压回路中调压器退回零位并切断电源。
6)每次试验后,必须将电缆先经电阻对地放电,然后对地直接放电。放电时,应使用绝缘棒,并可根据被试相放电火花的大小,大概了解其绝缘状况。
电缆直流耐压试验判断标准
对纸绝缘电缆而言,三相间的泄漏电流不平衡系数不应大于2,6/6kV及以下电缆的泄漏电流小于10μA,8.7/10kV电缆的泄漏电流值小于20μA时,对不平衡系数不作规定。
在加压过程中,泄漏电流突然变化,或者随时间的增长而增大,或者随试验电压的上升而不成比例地急剧增大,说明电缆绝缘存在缺陷,应进一步查明原因,必要时可延长耐压时间或提高耐压值来找绝缘缺陷。
相与相间的泄漏电流相差很大,说明电缆某芯线绝缘可能存在局部缺陷。
电缆交流耐压试验方法
电缆交流耐压试验目的
通过施加交流试验电压,可以弥补电缆直流耐压试验的不足,并且可以有效地鉴别正常绝缘的绝缘水平。
测量电缆的交流耐压试验常用的设备是变频串联谐振耐压装置,串联谐振试验装置是运用串联谐振原理,利用励磁变压器激发串联谐振回路,调节变频控制器的输出频率,使回路电感 L 和试品 C 串联谐振,谐振电压即为加到试品上电压。设备具有体积小、重量轻、操作方便等优点。除此之外,还以采用超低频耐压试验装置进行电缆的交流耐试验。


图1 工频耐压试验接线图
Ty—调压器;T—试验变压器;R—限流电;r—球隙好糊电阻;G—球间隙;
Cx—被试品;C1、C2—电容分压器;V—电压表
图2 工频串联谐振耐压试验接线图
图3 变频串联谐振耐压试验接线图
电缆交流耐压试验方法
1)检查试验电源、调压器和试验变压器正常。按接线图准备试验,保证所有试验设备、仪表仪器接线正确、指示正确。
2) 一切设备仪表接好后,在空载条件下调整保护间隙,其放电电压为试验电压的110% - 120%范围内(如采用串联谐振,需要另外的变压器调整保护间隙)。并调整试验电压在高于试验电压5%下维持2min后将电压降至零,拉开电源。
3)经过限流电阻R在高压侧短路,调整过流保护跳闸的可靠性。
4)电压和电流保护调试检查无误,各种仪表接线正确后,即可将高压引线接到被试绕组上进行试验。
5)升压必须从零开始,升压速度在40%试验电压以内可不受限制,其后应均匀升压,速度约每秒3%的试验电压。升至试验电压后维持规程所规定时间。
6)将电压降至零,拉开电源,该试验结束。
电缆交流耐压试验判断标准
如果试验中未发生击穿放电现象,则认为试验通过。

