
手机:汪经理15802760502
邮箱:hezi027@qq.com
QQ:3212587206
地址:武汉市东西湖区创谷路20号科创中心22栋
- 1变压器变比测试仪怎么选?2026行业选型避坑指南|赫兹电力实测靠谱
- 2直流高压发生器选型指南|主流品牌深度对比!赫兹电力凭硬核实力胜出
- 3电力试验标配神器!赫兹电力ZGF系列直流高压发生器,轻便精准、安全耐用—赫兹电力高压试验设备
- 4一机搞定所有隐患!赫兹电力HZJF-8008S三合一局放巡检仪,重塑电力智能巡检新标准
- 52025局放巡检仪厂家排名更新|别再乱买!电力人专属选型避坑指南
- 6武汉赫兹电力无局放耐压测试系统在电力检测中的核心优势与应用价值
- 72026无局放耐压试验装置厂家排名&价格对比!武汉赫兹电力凭实力领跑
- 8告别漏判误判!无局放试验装置,认准这家国产源头厂家—武汉赫兹电力
- 9无局放串联谐振哪家好?武汉赫兹电力,用硬核技术领跑高压检测赛道
- 10中国智造护航电力安全|武汉赫兹电力无局放耐压试验装置,精准排查绝缘隐患
直流高压发生器操作步骤及图解-赫兹电力
直流高压发生器操作步骤
直流高压发生器


如做容性负载时,应接入限流电阻
1试验器在使用前应检查其完好性,联接电缆不应有断路和短路,设备无破裂等损坏。
2.将机箱、倍压筒放置到合适位置分别联接好电源线、电缆线和接地线,保护接地线与工作接地线以及放电棒的接地线均应单独接到试品的地线上(即一点接地)。严禁各接地线相互串联。为此,应使用DHV***接地线。
3.电源开关放在关断位置并检查调压电位器应在零位。过电压保护整定值一般为试验电压的1.1倍。
4.空载升压验证过电压保护整定是否灵敏。
5.接通电源开关,此时红灯亮,表示电源接通。
6.按绿色按钮,则绿灯亮,表示高压接通。
7.顺时针方向平缓调节调压电位器,输出端即从零开始升压,升至所需电压后,按规定时间记录电流表读数,并检查控制箱及高压输出线有无异常现象及声响。
8.降压,将调压电位器回零后,随即按红色按钮,切断高压并关闭电源开关。
9.对试品进行泄漏及直流耐压试验。在进行检查试验确认试验器无异常情况后,即可开始进行试品的泄漏及直流耐压试验。将试品、地线等联接好,检查无误后即打开电源。
10.升压至所需电压或电流。升压速度以每秒3—5kV试验电压为宜。对于大电容试品升压时还需监视电流表充电电流不超过试验器的z大充电电流。对小电容试品如氧化锌避雷器、磁吹避雷器等先升至所需电压(电流)的95%,再缓慢仔细升至所需的电压(电流)。然后从数显表上读出电压(电流)值。如需对氧化锌避雷器进行0.75UDC—1mA测量时,先升至UDC1mA电压值,然后按下黄色按钮,此时电压即降至原来的75%,并保持此状态。此时可读取电流。测量完毕后,调压电位器逆时针回到零,按下绿色按钮。需再次升压时按绿色按钮即可。
必要时用外接高压分压器比对控制箱上的电压。
11.试验完毕,降压,关闭电源。
12.几种测量方法
a.一般测量时,当接好线后,先把联接试品的线悬空,升到试验电压后读取空试时的电晕和杂散电流I,然后接上试品升到试验电压读取总电流Ⅰ1;试品泄漏电流:Io=Ⅰ1—I’
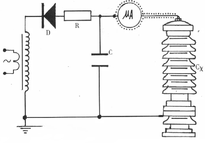
b.当需要jz测量被试品泄漏电流时,则应在高压侧串入高压微安表(见下图)
微安表接入试品CX高压侧接线图
微安表必须有金属屏蔽,应采用屏蔽线与试品联接。高压引线的屏蔽引出应与仪表端的屏蔽紧密联接。如果试品表面污秽要排除试品表面泄漏电流的影响可在试品高电位端用裸金属软线紧密绕几圈后与高压引线的屏蔽相联接(见下图)。


c.对氧化锌、磁吹避雷器等试品接地端可拆开的情况下,也可采用在试品的底部(地电位侧)串入电流表进行测量的方式。当要排除试品表面泄漏电流的影响,可用软的裸铜线在试品地电位端绕上几圈并与屏蔽线的屏蔽相联接(见下图)


13.对于氧化锌避雷器等小电容试品一般通过测压电阻放电时间很快。而对电缆等大电容试品一般要待试品电压自放电至试验电压的20%以下,再通过配套的放电棒进行放电。待试品充分放电后挂好接地线,才允许进行高压引线的拆除和更换接线工作。
14.保护动作后的操作
在使用过程中发现绿灯灭,红灯亮,电压下降,即为有关保护动作。此时应关闭电源开关,面板指示灯均不亮。将调压电位器退回零位,一分钟后待机内低压电容器充分放电后才允许再次打开电源开关。重新进行空载试验并查明情况后可再次升压试验。

